Jakob Vahlin
@Equinor
@Equinor
Designing and implementing a FSK Demodulator digitally on an Arduino microcontroller
Read
Designing and implementing an analog sinusoidal oscillator using an operational amplifier
Read
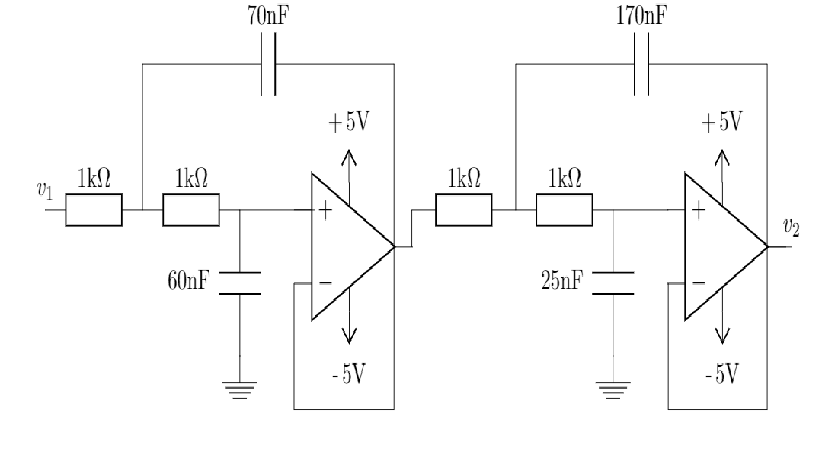
Designing and implemeting an analog anti-aliasing filter w/ an operational amplifier
Read
Designing a simple four pixel black and white camera using AIM Spice and Verilog to simulate the analog circuit and digital control unit.
Read
Estimating the coefficient of friction by analyzing the movement of a sphere with a high speed camera and numerical calculations.
Read
Digitally estimating the angle of an incomming sound signal using an array of microphones sampled with a self designed measurement system.
Read
Digitally estimating the phase and frequency of a complex sinusoidal signal embedded in white gaussian noise.
Read